Mạch bảo vệ Pin cân bằng 3S 40A 12.6V
Mạch sạc và bảo vệ cell pin Li-ion 3S 12.6V 40A Auto Recovery, dùng được cho pin máy khoan, bắn vít, máy cưa và các thiết bị điện tử khác có mức điện thế 9.6v 10.8v 11.1v và 12v, dỏng xả cao trên 40A (máy cưa, máy khoan National)
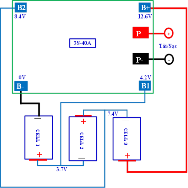
Thông số mạch:
- Sử dụng sạc DC: 12.6V - 13V.
- Điện thế xả cạn (có bảo vệ) 9V
- Điện thế sạc đầy: 12.6V
- Dòng xả hoạt động tối đa: 40A.
- Dòng sạc tối đa: 20A.
- Trọng lượng: 10g
- Size: 55 * 42 * 3.4mm (D * R * C)
Chức năng:
- + Sạc bảo vệ cell
- + Bảo vệ quá dòng
- + Bảo vệ ngắn mạch
- Chức năng mở tự động khi mạch ngắt quá tải (Auto Recovery)
- Số cell sử dụng: 3 cell Li-ion hoặc 3 cặp cell (6 cell) Li-ion mắc nối tiếp, thậm chí nhiều hơn nữa (9, 12 cell,...), tùy vào nhu cầu và diện tích vỏ pin mà có thể lắp nhiều cell song song hơn để có công suất cũng như dòng tải pin lớn hơn.
Khuyến nghị:
- Đây là mạch sạc và bảo vệ pack pin Li-ion, đa năng, hoàn toàn không phải mạch pin máy khoan hay của riêng bất kỳ thiết bị nào. Mạch này có thể sử dụng cho nhiều thiết bị dùng pin sạc khác nhau.
- Nếu đóng 3S-1P (3 cell nối tiếp) thì nên chọn cell có dòng xả từ 15C - 20C khi lắp pin máy khoan, bắt vít, máy cưa tải lớn (dòng xả cao).
- Nếu đóng 3S-2P (3 cặp cell nối tiếp - 6 cell) thì nên chọn cell có dòng xả từ 10C - 15C khi lắp pin máy khoan, bắt vít, máy cưa tải lớn (dòng xả cao).
- Tuy nhiên nếu chỉ dùng cho máy bắt vít hoặc khoan có công suất nhỏ thì có thể chọn cell có dòng xả 5C - 10C thay thế.
- Các cell (cặp cell) phải đều volt với nhau và sạc đủ volt (3.7V - 3.9V) trước khi lắp vào mạch.
- Hàn theo thứ tự từ 0V 4.2V 8.4V 12.6V.
- Hai cổng Sạc và Tải, lấy tại - và +.
